| |
|
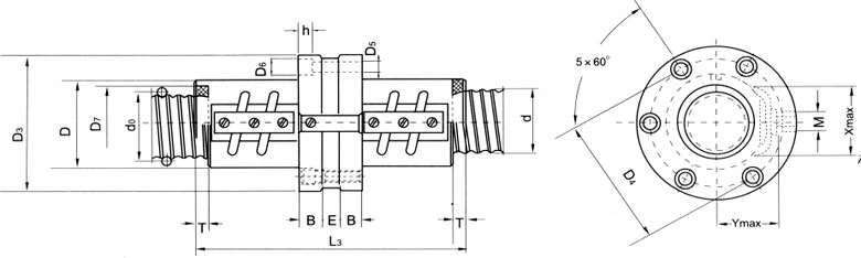
外插管凸出式滚珠丝杠副尺寸系列 |
| |
|
(FCZT、FCBT、FCWT型) (FCDT型) |
| |
|
序
号 |
规格
代号 |
公称
|
导
|
钢球
|
丝杠
|
轴端
|
滚 珠 螺 母 安
|
直径 |
程 |
直径 |
大径 |
直径 |
D |
D3 |
D4 |
D5 |
D6 |
D7 |
h |
M |
B |
T |
E |
d0 |
Ph |
Dw |
d1 |
d3 |
|
|
|
|
|
|
|
|
|
|
|
1 |
1203 |
12 |
3 |
2.3812 |
11.3 |
9 |
26 |
48 |
36 |
4.8 |
8.5 |
17 |
4 |
F2 |
6 |
2 |
3 |
2 |
1603 |
16 |
15.3 |
13 |
30 |
53 |
40 |
4.8 |
8.5 |
21 |
4 |
F2 |
8 |
2 |
3 |
3 |
1204 |
12 |
4 |
2.3812 |
11.3 |
9 |
26 |
48 |
36 |
4.8 |
8.5 |
17 |
4 |
F2 |
6 |
3 |
4 |
4 |
1604 |
16 |
15.3 |
13 |
30 |
53 |
40 |
4.8 |
8.5 |
21 |
4 |
F2 |
8 |
3 |
4 |
5 |
2004 |
20 |
19.3 |
17 |
36 |
60 |
48 |
5.8 |
10 |
25 |
6 |
M6 |
10 |
3 |
4 |
6 |
3204 |
32 |
31.3 |
29 |
50 |
76 |
63 |
5.8 |
10 |
38 |
6 |
M6 |
10 |
3 |
4 |
7 |
2005 |
20 |
5 |
3.175 |
19.1 |
16 |
36 |
60 |
48 |
5.8 |
10 |
25 |
6 |
M6 |
10 |
3 |
4 |
8 |
2505 |
25 |
24.1 |
21 |
40 |
66 |
53 |
5.8 |
10 |
30 |
6 |
M6 |
10 |
3 |
4 |
9 |
3205 |
32 |
31.1 |
28 |
50 |
82 |
67 |
7 |
12 |
38 |
7 |
M6 |
12 |
3 |
4 |
10 |
4005 |
40 |
39.1 |
36 |
60 |
94 |
75 |
9 |
15 |
48 |
9 |
M6 |
15 |
3 |
4 |
11 |
2506 |
25 |
6 |
3.9688 |
23.8 |
20 |
40 |
66 |
53 |
5.8 |
10 |
30 |
6 |
M6 |
10 |
4 |
4 |
12 |
3206 |
32 |
31.8 |
27 |
50 |
82 |
67 |
7 |
12 |
38 |
7 |
M6 |
12 |
4 |
4 |
13 |
4006 |
40 |
38.8 |
35 |
60 |
94 |
75 |
9 |
15 |
48 |
9 |
M6 |
15 |
4 |
6 |
14 |
5006 |
50 |
48.8 |
45 |
71 |
110 |
90 |
9 |
15 |
60 |
9 |
M8×1 |
15 |
4 |
6 |
15 |
3208 |
32 |
8 |
4.7625 |
30.6 |
26 |
53 |
90 |
71 |
9 |
15 |
40 |
9 |
M6 |
15 |
5 |
4 |
16 |
4008 |
40 |
38.6 |
34 |
63 |
100 |
80 |
9 |
15 |
48 |
9 |
M6 |
15 |
5 |
4 |
17 |
5008 |
50 |
48.6 |
44 |
75 |
118 |
95 |
11 |
18 |
60 |
11 |
M8×1 |
18 |
5 |
8 |
18 |
6308 |
63 |
61.6 |
57 |
90 |
132 |
110 |
11 |
18 |
75 |
11 |
M8×1 |
18 |
5 |
8 |
|
| 注:①L3=L1×2+E ②法兰形状可根据用户需要特制 |
| |
 |
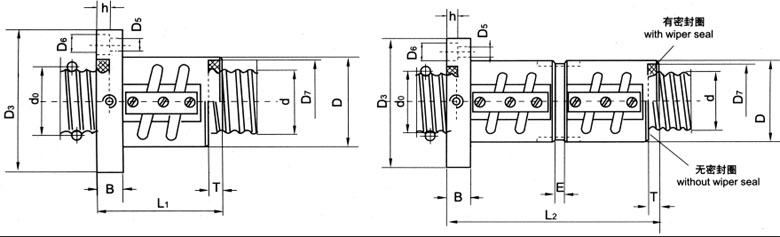
(FCDYT型) |
| |
|
装 连 接 尺 寸
|
额 定 载 荷(KN)
|
规格代号
|
Xmax |
Ymax |
L1 |
L2 |
动载荷Ca |
静载荷Coa |
|
|
2.5圈 |
3.5圈 |
5圈 |
2.5圈 |
3.5圈 |
5圈 |
2.5圈 |
3.5圈 |
5圈 |
2.5圈 |
3.5圈 |
5圈 |
|
|
31 |
- |
- |
61 |
- |
- |
3.6 |
- |
- |
6.2 |
- |
- |
1203 |
|
|
33 |
- |
- |
63 |
- |
- |
4.2 |
- |
- |
8.9 |
- |
- |
1603 |
|
|
34 |
- |
- |
64 |
- |
- |
3.6 |
- |
- |
6.2 |
- |
- |
1204 |
|
|
36 |
- |
- |
66 |
- |
- |
4.2 |
- |
- |
8.9 |
- |
- |
1604 |
23 |
24 |
38 |
- |
- |
70 |
- |
- |
4.9 |
- |
- |
11.1 |
- |
- |
2004 |
35 |
31 |
38 |
- |
50 |
70 |
- |
94 |
6.0 |
- |
10.9 |
18.3 |
- |
36.6 |
3204 |
25 |
26 |
41 |
- |
- |
76 |
- |
- |
7.0 |
- |
- |
14.2 |
- |
- |
2005 |
30 |
28 |
41 |
- |
- |
76 |
- |
- |
7.9 |
- |
- |
18.2 |
- |
- |
2505 |
33 |
37 |
43 |
48 |
58 |
78 |
88 |
108 |
8.8 |
11.8 |
16.0 |
23.8 |
33.4 |
47.7 |
3205 |
44 |
38 |
46 |
51 |
61 |
81 |
91 |
111 |
9.7 |
13.0 |
17.7 |
30.2 |
42.3 |
60.4 |
4005 |
31 |
28 |
48 |
- |
- |
90 |
- |
- |
10.4 |
- |
- |
22.2 |
- |
- |
2506 |
37 |
33 |
50 |
56 |
68 |
92 |
104 |
128 |
12 |
16.3 |
21.8 |
27.4 |
38.3 |
54.8 |
3206 |
45 |
38 |
53 |
59 |
71 |
97 |
109 |
133 |
13.2 |
17.6 |
23.9 |
37.4 |
52.3 |
74.7 |
4006 |
55 |
44 |
53 |
59 |
71 |
97 |
109 |
133 |
14.6 |
19.4 |
26.4 |
47.4 |
66.3 |
94.8 |
5006 |
39 |
36 |
60 |
68 |
84 |
108 |
124 |
156 |
15.3 |
20.5 |
27.8 |
35.5 |
49.6 |
71 |
3208 |
47 |
41 |
60 |
68 |
84 |
108 |
124 |
156 |
16.9 |
22.6 |
30.7 |
44.5 |
62.3 |
89 |
4008 |
58 |
47 |
63 |
71 |
87 |
115 |
131 |
163 |
18.9 |
25.2 |
34.3 |
57.1 |
79.9 |
114 |
5008 |
69 |
55 |
- |
71 |
87 |
- |
131 |
163 |
- |
27.5 |
37.4 |
- |
100 |
141 |
6308 |
|
| |
| Memo: ①L3=L1×2+E ②The form of flange is epecially produced according to customer |
| |