| |
|
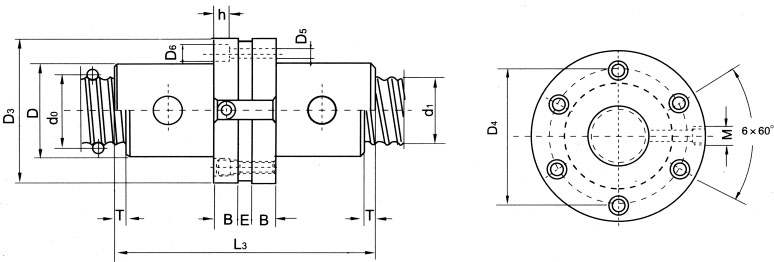
内循环滚珠丝杠副尺寸系列 |
| |
|
(FFZ、FFB、FFW型) (FFD型) |
| |
|
序
号
|
规格
代号
|
公称
直径
|
导
程
|
钢球
直径
|
丝杠
大径
|
轴端
直径
|
滚 珠 螺 母 安
|
D |
D3 |
D4 |
D5 |
D6 |
D7 |
h |
M |
B |
T |
E |
d0 |
Ph |
Dw |
d1 |
d3 |
|
|
|
|
|
|
|
|
|
|
|
1 |
1202 |
12.5 |
2 |
1.5 |
12.1 |
10 |
26 |
48 |
36 |
4.8 |
8.5 |
15 |
4 |
F2 |
6 |
2 |
3 |
2 |
1402.5 |
14.5 |
2.5 |
1.5 |
14.1 |
12 |
28 |
54 |
42 |
5.8 |
10 |
22 |
6 |
F2 |
8 |
3 |
3 |
3 |
3202.5 |
32 |
31.5 |
25 |
45 |
84 |
71 |
5.8 |
10 |
39 |
6 |
M6 |
12 |
3 |
- |
4 |
1203★ |
12.5 |
3 |
2.3812 |
11.9 |
8 |
26 |
48 |
36 |
4.8 |
8.5 |
17 |
4 |
F2 |
6 |
3 |
3 |
5 |
1603 |
16 |
15.3 |
13 |
30 |
53 |
40 |
4.8 |
8.5 |
21 |
4 |
F2 |
8 |
3 |
3 |
6 |
2003★ |
20 |
19.3 |
17 |
36 |
60 |
48 |
5.8 |
10 |
24 |
6 |
M6 |
10 |
3 |
4 |
7 |
1204 |
12 |
4 |
2.3812 |
11.3 |
9 |
26 |
48 |
36 |
4.8 |
8.5 |
17 |
4 |
F2 |
6 |
3 |
4 |
8 |
1404★ |
14.5 |
13.8 |
12 |
28 |
50 |
38 |
4.8 |
8.5 |
17 |
4 |
F2 |
8 |
3 |
4 |
9 |
1604★ |
16 |
15.3 |
13 |
30 |
53 |
40 |
4.8 |
8.5 |
22 |
4 |
F2 |
8 |
3 |
4 |
10 |
2004★ |
20 |
19.3 |
17 |
36 |
60 |
48 |
5.8 |
10 |
25 |
6 |
M6 |
10 |
3 |
4 |
11 |
2504★ |
25 |
24.3 |
22 |
40 |
66 |
53 |
5.8 |
10 |
34 |
6 |
M6 |
10 |
3 |
4 |
12 |
3204★ |
32 |
31.3 |
29 |
50 |
76 |
63 |
5.8 |
10 |
38 |
6 |
M6 |
10 |
3 |
4 |
13 |
1605★ |
16.5 |
5 |
3.5 |
15.5 |
12 |
30 |
53 |
40 |
4.8 |
8.5 |
23 |
6 |
M6 |
10 |
3 |
4 |
14 |
2005★ |
20 |
5 |
3.5 |
19 |
16 |
36 |
60 |
48 |
5.8 |
10 |
25 |
6 |
M6 |
10 |
3 |
5 |
15 |
2505★ |
25 |
24 |
21 |
40 |
66 |
53 |
5.8 |
10 |
30 |
6 |
M6 |
10 |
3 |
5 |
16 |
3205★ |
32 |
31 |
28 |
50 |
82 |
67 |
7 |
12 |
38 |
7 |
M6 |
12 |
3 |
5 |
17 |
4005★ |
40 |
39 |
36 |
60 |
94 |
75 |
9 |
15 |
48 |
9 |
M6 |
15 |
3 |
5 |
18 |
2506★ |
25 |
6 |
3.5 |
24 |
21 |
40 |
66 |
53 |
5.8 |
10 |
30 |
6 |
M6 |
10 |
3 |
6 |
19 |
3206★ |
32 |
6 |
3.9688 |
31.8 |
27 |
50 |
82 |
67 |
7 |
12 |
38 |
7 |
M6 |
12 |
3 |
6 |
20 |
4006★ |
40 |
38.8 |
35 |
60 |
94 |
75 |
9 |
15 |
48 |
9 |
M6 |
15 |
3 |
6 |
|
| 注:①L3=L1×2+E ②法兰形状可根据用户需要特制 ③表中★为优先组合,请优先选用 |
| |
 |
(FFDY型) |
| |
|
装 连 接 尺 寸
|
额 定 载 荷(KN)
|
规格代号
|
L1 |
L2 |
动载荷Ca |
静载荷Coa |
3列 |
4列 |
5列 |
3列 |
4列 |
5列 |
3列 |
4列 |
5列 |
3列 |
4列 |
5列 |
24 |
- |
- |
47 |
- |
- |
2.45 |
- |
- |
5.90 |
- |
- |
1202 |
29 |
- |
- |
55 |
- |
- |
2.70 |
- |
- |
6.90 |
- |
- |
1402.5 |
32 |
- |
38 |
56 |
- |
67 |
4.95 |
- |
6.40 |
11.20 |
- |
10.20 |
3202.5 |
26 |
- |
- |
50 |
- |
- |
3.43 |
- |
- |
5.59 |
- |
- |
1203★ |
32 |
- |
- |
58 |
- |
- |
4.90 |
- |
- |
10.70 |
- |
- |
1603 |
34 |
- |
- |
60 |
- |
- |
5.20 |
- |
- |
12.85 |
- |
- |
2003★ |
36 |
- |
- |
68 |
- |
- |
4.3 |
- |
- |
7.4 |
- |
- |
1204 |
38 |
- |
- |
70 |
- |
- |
4.88 |
- |
- |
10.62 |
- |
- |
1404★ |
37 |
- |
- |
73 |
- |
- |
4.98 |
- |
- |
10.92 |
- |
- |
1604★ |
39 |
- |
48 |
75 |
- |
88 |
5.7 |
- |
8.40 |
13.35 |
- |
22.20 |
2004★ |
39 |
- |
48 |
75 |
- |
88 |
6.10 |
- |
8.84 |
16.37 |
- |
24.60 |
2504★ |
39 |
- |
48 |
75 |
- |
88 |
7.00 |
- |
10.9 |
22.00 |
- |
36.6 |
3204★ |
42 |
- |
- |
80 |
- |
- |
7.40 |
- |
- |
16.50 |
- |
- |
1605★ |
42 |
- |
56 |
80 |
- |
106 |
8.10 |
- |
12.60 |
17.08 |
- |
28.4 |
2005★ |
44 |
- |
56 |
86 |
- |
106 |
9.10 |
- |
14.20 |
21.85 |
- |
36.4 |
2505★ |
46 |
- |
58 |
88 |
- |
108 |
10.30 |
- |
16.00 |
28.60 |
- |
47.7 |
3205★ |
48 |
- |
61 |
88 |
- |
111 |
11.40 |
- |
17.7 |
36.27 |
- |
60.4 |
4005★ |
48 |
- |
64 |
96 |
- |
124 |
12.2 |
- |
18.90 |
26.69 |
- |
44.4 |
2506★ |
50 |
- |
64 |
98 |
- |
124 |
14.0 |
- |
21.8 |
32.84 |
- |
54.8 |
3206★ |
53 |
- |
66 |
101 |
- |
126 |
15.4 |
- |
23.90 |
44.82 |
- |
74.7 |
4006★ |
|
| Memo: ①L3=L1×2+E ②The form of flange is especially produced according to customer ③The products titled ★ are recommended to be used |
| |